| Estado de Disponibilidad: | |
|---|---|
| Cantidad: | |
DF-40A
HEE
Acero fundido doble bitt
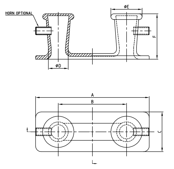
Mooel no | A | B | C | фd | фe | F | WT. (LBS) | BOCINA |
| DF-2 | 40 ' | 27 ' | 14 ' | 7 ' | 11 ' | 16 ' | 375 | √ |
| DF-2A | 40 ' | 27 ' | 14 ' | 7 ' | 11 ' | 16 ' | 385 | X |
| DF-40 | 45 ' | 24 ' | 15 ' | 9 ' | 13 1/2 ' | 18 ' | 545 | √ |
| DF-40A | 45 ' | 24 ' | 15 ' | 9 ' | 13 1/2 ' | 18 ' | 560 | X |
El doble bitts de amarre de acero fundido sirve como la columna vertebral de los sistemas de amarre de embarcaciones, proporcionando puntos de anclaje robustos para asegurar múltiples líneas de amarre durante el atraque, el acoplamiento y las operaciones en alta mar. Como los buques modernos requieren una mayor capacidad de amarre para manejar cargas de carga más grandes y fuerzas ambientales más fuertes, estos bitts dobles ofrecen una fuerza excepcional con capacidades de gestión de línea flexibles. Construido a partir de acero fundido ASTM A27 Grado en un diseño de una pieza, cuentan con postes de doble diámetro de 14 pulgadas de pie 42 pulgadas de alto, espaciados a 24 pulgadas de distancia para acomodar líneas de amarre paralelas. Con una carga de trabajo segura combinada (SWL) de 1800 kN (183 toneladas), estos bitts están diseñados para grandes embarcaciones comerciales, incluidos portadores a granel, barcos de contenedores y camiones cisterna de GNL que operan en puertos principales en todo el mundo.
Las dos publicaciones verticales cuentan con refuerzo de base integral con cintas de 1 pulgada de grosor que los conectan a la brida de montaje cuadrada de 30 pulgadas. Cada publicación incluye una parte superior cónica (6 pulgadas de diámetro en el pico) con bordes redondeados para evitar daños en la cuerda, mientras que las superficies posteriores se pulen hasta el acabado RA 3.2μm para reducir la fricción. El espacio permite el manejo simultáneo de dos cuerdas de 90 mm de diámetro con una interferencia mínima.
Fabricado con fundición de arena de resina para replicación de geometría compleja, los Bitts logran propiedades de material consistentes con resistencia a la tracción superior a 400 MPa. La fundición de una pieza elimina las soldaduras que crean puntos de falla potenciales, mientras que el tratamiento térmico a 190 BHN garantiza una dureza óptima para la resistencia al desgaste. Las pruebas no destructivas confirman la ausencia de defectos internos en áreas de carga crítica.
Todo el ensamblaje se somete a un tratamiento de superficie de varios pasos : explosión abrasiva a SA 3.0, aplicación de cebador epoxi rico en zinc 150 μM y termina el recubrimiento con poliuretano de grado marino 80 μM. Este sistema proporciona más de 2000 horas de resistencia de pulverización por sal por ASTM B117. Los canales de drenaje mecanizados en la brida de la base evitan que el agua se agrupe alrededor de los pernos de montaje.
Los postes duales permiten la seguridad y el ajuste independientes de múltiples líneas de amarre, lo que permite un control de tensión preciso y reduciendo el riesgo de enredo de línea. Esta configuración proporciona flexibilidad operativa para manejar diferentes escenarios de amarre, incluidos el apuntalamiento de puertos, el anclaje en alta mar y las situaciones de emergencia.
La fundición de una pieza crea una ruta de carga continua desde los postes hasta la brida de montaje, eliminando las soldaduras que pueden fatiga bajo carga cíclica. Este diseño proporciona una resistencia de fatiga 30% mayor en comparación con los bitts fabricados soldados, extendiendo la vida útil en aplicaciones de alto ciclo.
Estos bitts están optimizados para los buques Panamax y post Panamax que van desde 50,000 a 200,000 DWT, incluidos los buques de contenedores, los portadores a granel y los petroleros de petróleo. Su capacidad de carga y dimensiones se alinean con los requisitos de amarre de grandes embarcaciones que operan en rutas de comercio internacional.
La instalación requiere soldaduras de penetración completa a los principales miembros estructurales del recipiente, siguiendo las especificaciones de soldadura de AWS D1.1. La brida de montaje debe ser soportada mediante las placas de refuerzo (espesor mínimo de 1 pulgada) soldado a la cubierta o la estructura de los golpes para distribuir cargas de manera efectiva.
Las inspecciones mensuales deben verificar si hay corrosión, patrones de desgaste de cuerda e integridad de soldadura. El mantenimiento anual incluye pintura de retoque de áreas dañadas con recubrimientos marinos compatibles y verificación de par de hardware de montaje. Las pruebas de carga al 125% de SWL se recomiendan cada 5 años.
Acero fundido doble bitt
Mooel no | A | B | C | фd | фe | F | WT. (LBS) | BOCINA |
| DF-2 | 40 ' | 27 ' | 14 ' | 7 ' | 11 ' | 16 ' | 375 | √ |
| DF-2A | 40 ' | 27 ' | 14 ' | 7 ' | 11 ' | 16 ' | 385 | X |
| DF-40 | 45 ' | 24 ' | 15 ' | 9 ' | 13 1/2 ' | 18 ' | 545 | √ |
| DF-40A | 45 ' | 24 ' | 15 ' | 9 ' | 13 1/2 ' | 18 ' | 560 | X |
El doble bitts de amarre de acero fundido sirve como la columna vertebral de los sistemas de amarre de embarcaciones, proporcionando puntos de anclaje robustos para asegurar múltiples líneas de amarre durante el atraque, el acoplamiento y las operaciones en alta mar. Como los buques modernos requieren una mayor capacidad de amarre para manejar cargas de carga más grandes y fuerzas ambientales más fuertes, estos bitts dobles ofrecen una fuerza excepcional con capacidades de gestión de línea flexibles. Construido a partir de acero fundido ASTM A27 Grado en un diseño de una pieza, cuentan con postes de doble diámetro de 14 pulgadas de pie 42 pulgadas de alto, espaciados a 24 pulgadas de distancia para acomodar líneas de amarre paralelas. Con una carga de trabajo segura combinada (SWL) de 1800 kN (183 toneladas), estos bitts están diseñados para grandes embarcaciones comerciales, incluidos portadores a granel, barcos de contenedores y camiones cisterna de GNL que operan en puertos principales en todo el mundo.
Las dos publicaciones verticales cuentan con refuerzo de base integral con cintas de 1 pulgada de grosor que los conectan a la brida de montaje cuadrada de 30 pulgadas. Cada publicación incluye una parte superior cónica (6 pulgadas de diámetro en el pico) con bordes redondeados para evitar daños en la cuerda, mientras que las superficies posteriores se pulen hasta el acabado RA 3.2μm para reducir la fricción. El espacio permite el manejo simultáneo de dos cuerdas de 90 mm de diámetro con una interferencia mínima.
Fabricado con fundición de arena de resina para replicación de geometría compleja, los Bitts logran propiedades de material consistentes con resistencia a la tracción superior a 400 MPa. La fundición de una pieza elimina las soldaduras que crean puntos de falla potenciales, mientras que el tratamiento térmico a 190 BHN garantiza una dureza óptima para la resistencia al desgaste. Las pruebas no destructivas confirman la ausencia de defectos internos en áreas de carga crítica.
Todo el ensamblaje se somete a un tratamiento de superficie de varios pasos : explosión abrasiva a SA 3.0, aplicación de cebador epoxi rico en zinc 150 μM y termina el recubrimiento con poliuretano de grado marino 80 μM. Este sistema proporciona más de 2000 horas de resistencia de pulverización por sal por ASTM B117. Los canales de drenaje mecanizados en la brida de la base evitan que el agua se agrupe alrededor de los pernos de montaje.
Los postes duales permiten la seguridad y el ajuste independientes de múltiples líneas de amarre, lo que permite un control de tensión preciso y reduciendo el riesgo de enredo de línea. Esta configuración proporciona flexibilidad operativa para manejar diferentes escenarios de amarre, incluidos el apuntalamiento de puertos, el anclaje en alta mar y las situaciones de emergencia.
La fundición de una pieza crea una ruta de carga continua desde los postes hasta la brida de montaje, eliminando las soldaduras que pueden fatiga bajo carga cíclica. Este diseño proporciona una resistencia de fatiga 30% mayor en comparación con los bitts fabricados soldados, extendiendo la vida útil en aplicaciones de alto ciclo.
Estos bitts están optimizados para los buques Panamax y post Panamax que van desde 50,000 a 200,000 DWT, incluidos los buques de contenedores, los portadores a granel y los petroleros de petróleo. Su capacidad de carga y dimensiones se alinean con los requisitos de amarre de grandes embarcaciones que operan en rutas de comercio internacional.
La instalación requiere soldaduras de penetración completa a los principales miembros estructurales del recipiente, siguiendo las especificaciones de soldadura de AWS D1.1. La brida de montaje debe ser soportada mediante las placas de refuerzo (espesor mínimo de 1 pulgada) soldado a la cubierta o la estructura de los golpes para distribuir cargas de manera efectiva.
Las inspecciones mensuales deben verificar si hay corrosión, patrones de desgaste de cuerda e integridad de soldadura. El mantenimiento anual incluye pintura de retoque de áreas dañadas con recubrimientos marinos compatibles y verificación de par de hardware de montaje. Las pruebas de carga al 125% de SWL se recomiendan cada 5 años.
El DF-274-5 2 ESCAPA DE ALTA EL ESCRITURA DEL PERRO es una cubierta marina premium adaptada diseñada por Hee (Changshu Haichuan Engineering & Equipment Co., Ltd.), un fabricante líder con sede en China que se especializa en equipos marinos y marinos. Diseñado para abordar la necesidad crítica de una resistencia confiable al agua en ambientes marinos duros, esta escotilla sirve como una barrera protectora para las aberturas de la cubierta, evitando la entrada de agua, la acumulación de polvo y la corrosión que podría dañar los componentes internos de los vasos, las plataformas en alta mar o la infraestructura portuaria.