Usted está aquí: Hogar / Accesorios de cubierta / Cuña / DF-192 CALZO DE BOTÓN DE 6' DE ACERO FUNDIDO

Accesorios de cubierta

loading

Compartir con:
facebook sharing button
twitter sharing button
line sharing button
wechat sharing button
linkedin sharing button
pinterest sharing button
whatsapp sharing button
sharethis sharing button

DF-192 CALZO DE BOTÓN DE 6' DE ACERO FUNDIDO

Estado de Disponibilidad:
Cantidad:
  • DF-192

★Introducción del producto


El calzo de botón DF-192 es un accesorio de hardware básico esencial en los sistemas de amarre de barcos. Este producto adopta un proceso de fundición integrado, con una estructura compacta y duradera, especialmente diseñada para posiciones clave como cubiertas de barcos y baluartes. Se utiliza para guiar y limitar la dirección de los cables, evitar la fricción directa, colisión o estrangulamiento entre los cables y las estructuras del barco. Como modelo estándar de la industria, el DF-192 se usa ampliamente en la construcción de barcos nuevos, mantenimiento de barcos, terminales portuarias y boyas marinas, y es un componente central para garantizar la seguridad del amarre y extender la vida útil del cable.


★ parámetros básicos


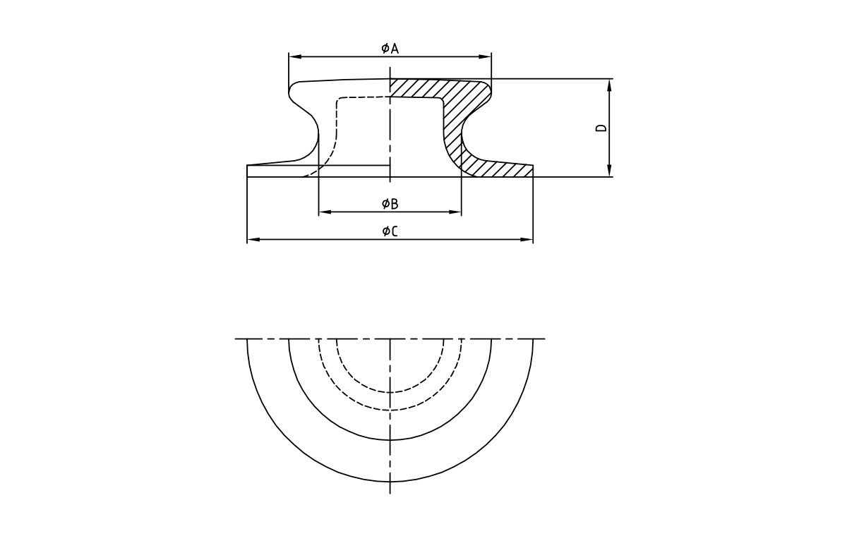
DF-192 CALZO DE BOTÓN DE 6' DE ACERO FUNDIDO



Modelo no.

ΦA ΦB ΦC D WT. (LBS)
DF-192 8 1/2 ' 6 ' 12 ' 4 1/8 ' 40


★Ventajas clave


1. Fundición integrada de alta resistencia

El cuerpo principal del producto está fabricado de acero/hierro fundido, que se funde de una sola vez sin puntos de soldadura. La estructura es densa y tiene una fuerte resistencia a la compresión y al impacto. Puede soportar fuerzas de tracción de alta resistencia durante el amarre de barcos y es adecuado para condiciones marinas duras.

2. Rendimiento anticorrosión súper fuerte

La superficie está tratada con pintura epoxi negra o galvanizado en caliente, que tiene una excelente resistencia a la niebla salina y la corrosión del agua de mar, resistiendo eficazmente la erosión ambiental marina, extendiendo en gran medida la vida útil del producto y reduciendo los costos de mantenimiento.

3. Diseño compacto y fácil de usar

El clásico diseño saliente de cabeza redonda ocupa un espacio mínimo en la plataforma y es fácil de instalar; El diseño superior con botones redondeados evita que el cable se doble y facilita el manejo y operación diarios del personal, garantizando una alta seguridad.

4. Estándar universal, fácil de reemplazar.

DF-192 es un componente estándar de la industria con alta estandarización de tamaño e interfaz, que puede reemplazar directamente piezas viejas o dañadas. La instalación no requiere modificaciones, lo que mejora enormemente la eficiencia del mantenimiento. Es el repuesto preferido de armadores, astilleros y proveedores de servicios de mantenimiento.


★ ¿ Por qué elegirnos?  


Fabricante profesional: Con años de experiencia en el campo del hardware marino, contamos con líneas de producción avanzadas de fundición y tratamiento de superficies y procesos maduros y estables.

Estricta inspección de calidad: cada producto se somete a pruebas dimensionales, pruebas de tracción y pruebas de niebla salina antes de salir de fábrica para garantizar una calidad excelente.

Servicio integral: suministro de piezas estándar en stock y servicios personalizados basados ​​en dibujos para cumplir con condiciones de trabajo especiales, y ofreciendo soporte técnico profesional y precios.

Soporte logístico global: coopere con múltiples proveedores de logística internacional para brindar soluciones de entrega flexibles, ayudando a que los productos se entreguen rápidamente a clientes de todo el mundo.


Anterior: 
Siguiente: 

Artículos relacionados

contenido está vacío!

HEE y Rijiu tienen la capacidad de fabricar casi cualquiera de sus necesidades para la entrega justo a tiempo en cualquier parte del mundo.
Deje mensaje
Póngase en contacto con nosotros

enlaces rápidos

Contáctenos

Teléfono: +86-512-5266-2139
Correo electrónico : hcee@cshcee.com
Dirección : No.99 Tongjiang Road, ciudad de Meili, ciudad de Changshu, provincia de Jiangsu, República Popular China

Productos

ESCOTILLA IMPERMEABLE CON MANIJA EN T
Modelo: DF-430-18
Material: ASTM A36
Acabado estándar: imprimación de pintura
Color: según su petición
MOQ: 5pcs
Embalaje: paleta de madera contrachapada
0
0
4 escotilla estancada de perros
Modelo: DF-343-5
Material: acero
Peso: 99 libras
Acabado estándar: imprimación de pintura
Color: gris o como su solicitud
MOQ: 5pcs
Embalaje: paleta de madera contrachapada
0
0

El DF-274-5 2 ESCAPA DE ALTA EL ESCRITURA DEL PERRO es una cubierta marina premium adaptada diseñada por Hee (Changshu Haichuan Engineering & Equipment Co., Ltd.), un fabricante líder con sede en China que se especializa en equipos marinos y marinos. Diseñado para abordar la necesidad crítica de una resistencia confiable al agua en ambientes marinos duros, esta escotilla sirve como una barrera protectora para las aberturas de la cubierta, evitando la entrada de agua, la acumulación de polvo y la corrosión que podría dañar los componentes internos de los vasos, las plataformas en alta mar o la infraestructura portuaria.

0
0
​Copyright © 2023 Changshu HaiChuan Engineering & Equipment Co.,Ltd. Todos los derechos reservados.| Sitemap | política de privacidad |Con apoyo de Leadong